今日话题
分布式光伏监控——应用背景

保安全:从“被动抢修”转为“主动预警”。核心是防火(电弧/温度检测)、防触电(绝缘/孤岛保护)、防事故,确保资产和人身安全。
提效益: 从“盲目运营”转为“精细化管理”。通过故障精准定位和发电效率对比,快速消缺止损,确保投资回报率。
助合规: 从“自发自用”转为“电网友好”。满足电网防孤岛、功率调度、电能质量治理等强制性要求,避免脱网或罚款。
降成本: 从“人工值守”转为“无人值守”。通过移动端App和集中云平台,实现远程集控,大幅降低现场巡检的人力成本。
促协同: 从“单一发电”转为“综合能源”。支撑光储充联动和碳足迹追踪,帮助企业实现整体用能成本最优和绿色低碳转型。
针对用户新能源接入后存在安全隐患、缺少有效监控、发电效率无法保证、收益计算困难、运行维护效率低等通点,提出的Acrel-1000DP分布式光伏监控系统平台,对整个用户电站全面监控,为用户实现降低能源使用成本、减轻变压器负载、余电上网,提高收益;节能减碳,符合国家政策。
分布式光伏监控解决方案
系统组网图:

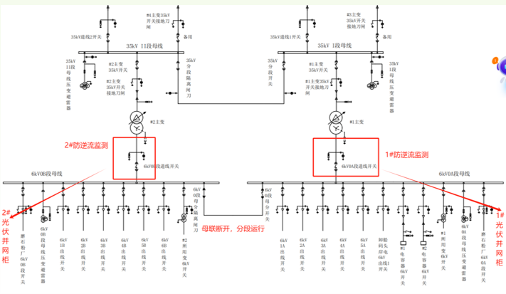
防逆流软件功能

防逆流软件可实时监测防逆流监测点功率变化,当前光伏发电总功率、储能实时放电功率与储能实时充电功率以及每个并网单元并网点的实时功率。

1、低功率柔性调节
防逆流软件设置低功率调节的功率阈值(该功率为用户侧使用公共电网的下网功率),当公共电网的下网功率较低,可能会由于负荷波动导致逆向功率产生时,防逆流软件柔性调节,给用户侧并网发电系统的并网单元发送降低发电功率指令,防止逆向功率产生。
2、逆功率跳闸
防逆流软件设置逆功率跳闸的功率阈值(该功率为用户侧并网发电系统向公共电网反向供电的上网功率),当用户侧并网发电系统向公共电网反向供电的上网功率触发逆功率跳闸功率阈值,防逆流软件给用户侧并网发电系统的并网单元发送跳闸指令,切断用户侧并网发电系统的并网单元,防止持续向公共电网逆向供电。
3、功率恢复合闸
当用户侧并网发电系统的并网单元因逆功率跳闸后,用户侧使用公共电网的下网功率恢复正常阈值,且在功率恢复合闸时间内并网单元仍未恢复合闸,防逆流软件给跳闸的用户侧并网发电系统的并网单元发送合闸指令,恢复用户侧并网发电系统的并网单元的发电,提高用户侧并网发电系统的利用率,减少公共电网的使用。
安科瑞防逆流保护装置
AM5SE-IS 防逆流保护装置


AM5SE-PV 防逆流保护装置

产品资质证书




典型案例

项目概况:
江西省某新材料有限公司的分布式光伏电站项目分为2个发电子系统,每个子系统所发电经升压变就地升压为10kV,集中汇流至10kV升压站,再通过新建1回10kV线路接入宿迁市城区开发投资有限公司10kV母线。
安科瑞配置方案:
光伏电站本体配置监控系统,具备远动功能,有关光伏电站本体的信息的采集、处理采用监控系统来完成,该监控系统配置单套用于信息远传的远动通信服务器。

