某数据中心终端断电事故分析
某数据中心为两家银行提供业务服务,事发时数据中心两路外市电电压同时骤降近50%,持续数秒,导致数据中心32台10/0.4kV变压器10kV侧开关柜综合保护因投入的欠压保护动作跳闸。
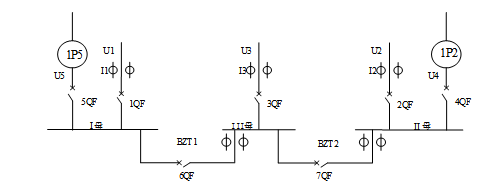
由于柴油发电机组并在10kV母线,外电扰动时间过短没有启动,也无法直接给0.4kV母线供电。事故发生后,运维工程师因故障排查、穿戴防护装具、开关柜位置分散等原因,合闸操作处置不及时,部分机柜在UPS蓄电池电量耗尽时仍未完成合闸供电而导致断电,给两家银行业务带来严重影响,该数据中心的电气接线及故障示意图见图。

事故主要原因
1、综保定值设置错误。10/0.4kV变压器综保装置一般不投入欠压保护或者投入但仅动作于告警,而本项目错误的投入欠压保护动作于跳闸,造成市电电压暂降时32台断路器同时跳闸是造成这次事故的主要原因。
2、系统容错性低。数据中心一般会在10kV母联设置母联/进线备自投装置,并且支持自投自复,提高系统容错率,但是0.4kV侧设置备自投装置的却比较少。
3、缺乏专业工具和训练。由于缺乏专业训练或者专业工具的支持,运维人员因故障排查、穿戴防护装具、开关柜位置分散,无法远程操作耗时过长,导致UPS电池耗尽,错失故障恢复黄金时间。
安科瑞解决方案
安科瑞可以为数据中心提供从中压进线至末端配电的一站式解决方案,提供110kV、10kV、0.4kV的综合保护、测控装置以及各电压等级电源备自投装置,并具备丰富的实际应用经验,为数据中心提高供电保障提供解决方案。
一、数据中心主要保护装置
为了提高数据中心供电可靠性,减少电网故障的干扰,大型数据中心一般采用110kV甚至更高电压等级市电电源,根据当地供电条件确定。一般至少要求数据中心引入两路市电电源,宜为冗余关系。

二、0.4kV 备自投装置
0.4kV侧备自投装置设计可以为数据中心提供更多的容错性。在0.4kV部分配置低压备自投装置实现主电源故障时切换至备用电源以保证电力供应的连续性。

三、数据中心动环管理系统
AcrelEMS-IDC数据中心能效管理系统搭建基于高、中、低压配电系统、柴油发电机、UPS的实时监控和末端机柜配电系统数据采集的电力监控、PUE分析以及动环监测,帮助数据中心管理者全面了解数据中心能源运行情况,及时预警异常情况,定位故障原因,保障数据中心稳定可靠运行。

安科瑞能效管理系统——功能
监控110kV变电站、10kV开闭所、10/0.4kV低压变配电室配电系统运行情况,实现遥测、遥信、越限报警、故障分析、电能质量分析、运行报表等功能。

监测柴油发电机、变压器、UPS、蓄电池组、精密配电柜、精密空调的状态以及运行参数,并提供异常预警、运行报表等功能。

系统对数据中心的故障类型进行分级分类处理,可以通过语音、文字弹窗、短信等方式提供故障预警信号,并对故障进行分类展示。

结语
数据中心供电系统的可靠性直接决定业务运行与信息交互的连续稳定,是数字基础设施安全运行的核心保障。在高算力、高密度负载需求下,系统在应对电网扰动、故障快速定位切换与智能监测系统至关重要。
唯有通过科学的供电架构和保护设计、完善的运维保障体系与智能化管理系统支撑,才能有效抵御断电、设备故障等风险,实现零非计划停机。