众所周知,英特尔Z系列主板与B系列主板一直都定位明确,Z系列主板定位于高端游戏玩家以及需要进行高性能计算的用户,他们往往对硬件性能、扩展性以及稳定性有较高要求;B系列主板则主要定位于主流用户和家庭用户,这部分用户更注重实用与性价比。
目前,英特尔® 酷睿™ 处理器有Z890芯片组和B860芯片组两个系列主板,配置方面的主要区别有:
1. B860芯片组主板最多支持4条DMI通道和14条PCIe通道;Z890芯片组主板最多支持8条DMI通道和24条PCIe通道。
2. B860芯片组主板最多支持12个USB端口,其中包含6个USB 3.2端口(2个20Gb/s);Z890芯片组主板最多支持14个USB端口,其中包含10个USB 3.2端口(5个20Gb/s)。
3. B860芯片组主板直连CPU的PCIe 5.0为固定的16+4组合,不支持PCIe 4.0直连CPU;Z890芯片组主板支持PCIe 5.0与PCIe 4.0直连CPU,其中,PCIe 5.0支持多种组合方式。
开学潮即将来袭,本文为大家推荐一套适合在寝室使用的迷你主机组装方案,板U使用微星MAG B860M MORTAR WIFI迫击炮+英特尔® 酷睿™ Ultra 7 处理器 265K的高性价比组合。

主板:微星MAG B860M MORTAR WIFI迫击炮

个人感觉,微星MAG B860M迫击炮的外观相比上一代B760M迫击炮更纯粹、更干练,规整有序的机甲风散热装甲搭配像醒目的绿色字符标识,让这张主板显得很有张力和力量感,散发出浓浓的电竞气息,稳稳拿捏了我这枚理工男的审美。

微星MAG B860M迫击炮的尺寸244x244mm,标准的MATX主板,与机械大师的这款新品手提机箱IF25 MATX非常般配。

微星MAG B860M迫击炮主板采用12+1+1+1高规格供电模组,2oz厚度铜的6层服务器级PCB以及高精度电容&精调电感,用料非常扎实。配合高强度双8pin供电接口,足以保障英特尔® 酷睿™ 处理器、9200+MHz高频DDR5内存等硬件的稳定、高效运行,用来带285K也绰绰有余。


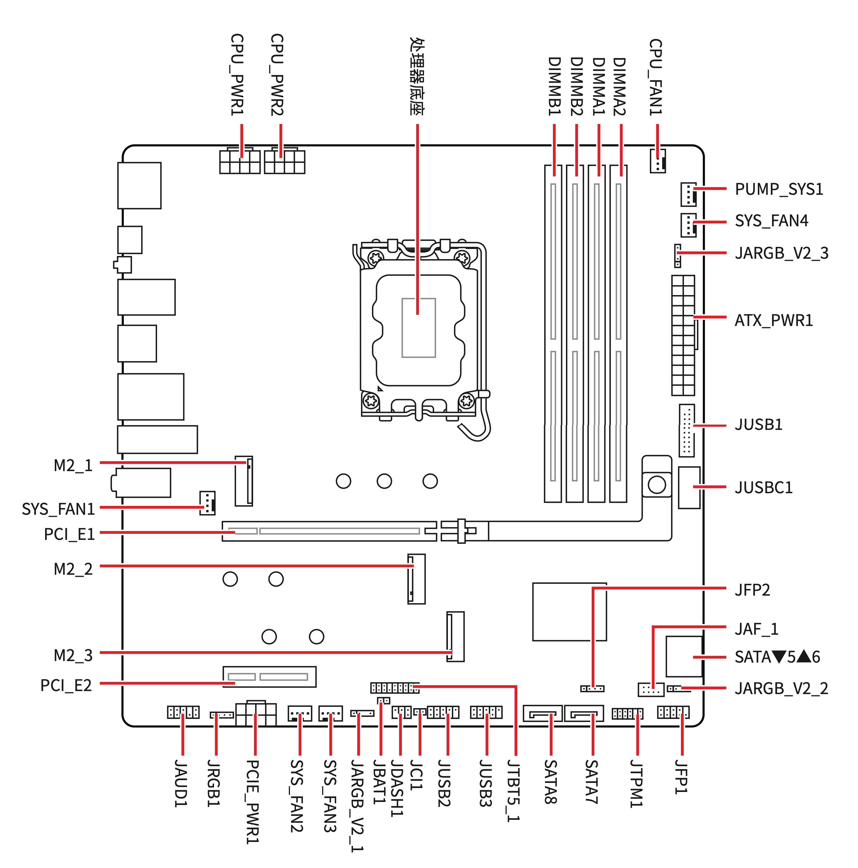
M.2插槽配备支持微星第二代独家EZ M.2 CLIP快拆设计的散热装甲,可轻松单手拆装,非常方便。装甲表面点缀了绿色的“MORTAR”字样和黑色暗纹元素,与上方VRM和下方芯片组散热片表面的装饰元素遥相呼应。

拆下散热装甲,可以看到微星MAG B860M迫击炮搭载了3个PCIe M.2 SSD插槽,最上方的接口是CPU直连的PCIe 5.0x4通道,最大带宽128Gbps,支持2280/2260/2242不同规格的M.2 SSD;下方的2个M.2插槽是由芯片组提供的PCIe 4.0x4通道,支持2280/2260不同规格的M.2 SSD。

微星MAG B860M迫击炮提供了2条PCIe插槽,上面这条是由CPU引出的PCIe 5.0 x16满速通道,为了应对高端显卡做了金属加固处理,支持备受好评的微星显卡快拆设计,可一键锁止或解锁PCle插槽卡扣,轻松拆卸显卡,对于需要频繁拆装显卡的小伙伴来说简直不要太实用!底部这条插槽为PCIe 4.0x4通道。


微星MAG B860M迫击炮配备4条DDR5双通道内存插槽,单槽最高支持64GB容量,内存频率支持9200+MHz(OC)。

接口方面,微星MAG B860M迫击炮板载接口提供5个4-pin 风扇接口、3个5V-ARGB接口、前置USB-C 10Gbps、USB-A 5Gbps以及2个USB 2.0接口;在主板右下方边缘处(芯片组散热片的下方)设置了2个SATA 6Gbps接口。

主板左下角有一个8Pin PCIe辅助供电接口,这在微星之外其它品牌的B860主板上并不多见。

微星MAG B860M迫击炮的背部I/O非常全面,从上往下依次为:HDMI 2.1和DP 1.4视频接口、雷电4接口(有一个小闪电的符号)、清除 CMOS 按钮和更新 BIOS 按钮、4个USB-A 2.0接口、1个USB-C 10Gbps接口、3个USB-A 10Gbps接口、5G有线网口、Wi-Fi 7天线接口、1个数字光纤音频接口、3.5mm音频接口等。

来看整机效果,你还满意吗?
整机配置:
主板:微星MAG B860M MORTAR WIFI迫击炮
CPU:英特尔® 酷睿™ Ultra 7 处理器 265K
显卡:索泰RTX 4070
SSD:金百达KP270 PCIe 4.0x4 1TB
内存:海盗船统治者泰坦RGB灯条
机箱:机械大师IF25 MATX手提机箱
水冷:乔思伯TH-240水冷
电源:振华LEADEX VII G1000





从纸面参数看,英特尔® 酷睿™ Ultra 7 处理器 265K是8P+12E共20个内核数,总线程数20,最大睿频频率5.5GHz,P核/E核基础频率分别是3.9GHz和3.3GHz,L2/L3缓存分别是36MB和30MB,TDP/最大睿频功耗分别是125W和250W。

CPU-Z单线程测试得分885.8分,多线程测试15780.4分。

Cinebench R23可以测试处理器的单线程和多线程的运算能力。单线程运算能力越强,对我这种经常使用Premiere剪辑视频的用户来说越是个好消息,而多线程运算能力则可以更轻松应对文档编辑、网页浏览、虚拟机等多任务并行。
这个环节,英特尔® 酷睿™ Ultra 7 处理器 265K多核测试结果35478 pts,单核1957 pts,MP Ratio 18.13x。

相比R23,Cinebench 2024引入了不同的渲染引擎,会有更复杂的场景以及占用更多的内存,可以提供更准确和全面的硬件性能评估。
Cinebench 2024多核测试结果1895 pts,单核测试结果127 pts,MP Ratio 14.92x。(R23和2024是不同的测试场景,结果与R23没有可比性)

最后有一个比较有意思的问题:与Z890主板相比,B860主板会影响硬件性能的发挥吗?我特意用一张旗舰级Z890主板对同一套配置进行了性能测试,CPU、显卡、内存、SSD四大件在默认设置下的测试结果均与微星MAG B860M MORTAR WIFI迫击炮相差甚微(如下图),只有在挑战极限、压榨硬件性能的场景中,才能体现出Z890主板的优势。
因此,微星MAG B860M MORTAR WIFI迫击炮这类B860芯片组主板有很高性价比,尤其适合对硬件性能有一定要求,但又不想太折腾的玩家。

OK,以上就是本次分享的全部内容,感谢大家观看。