
风电基础面临的挑战
绿色能源,屹立于天地之间,但是,当“风暴”过后,“巨人”倒下,留下的不仅是废墟,更是一道严峻的技术考验。
叶片可换,塔筒可修,但深埋地下的基础,能否再度托起新的希望?面对大尺寸、结构复杂的混凝土基础,传统检测方法难以实现高分辨率、大深度的无损探测。

Cscan声波散射探测技术应时而生
●原理与优势
Cscan声波散射探测技术基于非均匀介质模型,通过向混凝土发射声波,并捕捉因波阻抗差异产生的散射信号——差异越大,信号越强。借助密集传感器阵列,系统精准接收散射波,实现内部异常的高清成像,精确显示缺陷位置与形态。

基本原理图解
● 设备配置

实际应用案例
在某风电场的风机倒塔事故中,基于Cscan技术,对基础进行全方位扫描,定位内部缺陷。

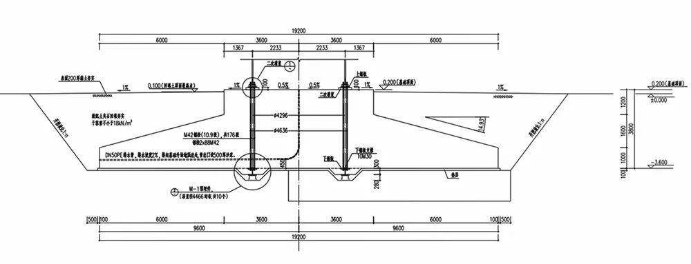
风电基础图纸

测线布设
经检测发现,基础内部存在16处局部不密实区域。


本次使用声波散射Cscan技术对F15号风机基础的混凝土质量进行检测,得到如下主要结果:
1)风机基础的台基混凝土的平均波速超过4050m/s,混凝土强度达到设计要求;
2)风机基础整体质量均匀,但局部浇筑不均匀,存在较多不密实区域,详见上表;
3)风机基础不密实区域连通性差,未达到冷缝的程度。
技术价值与意义
Cscan声波散射探测技术在以上实际案例中成功定位了基础内部的缺陷,并提供了科学的数据支持,直接节约重建成本数百万,缩短工期近百天,保障了风电场的安全运行,让绿色能源更加稳健前行。