绝缘监测产品· 应用背景
为了提高供电的连续性、可靠性和安全性,许多重要生产场所也采用了IT配电系统(不接地供电系统)。
安科瑞工业绝缘监测及故障定位产品主要应用于工业领域,如矿井、矿山、玻璃厂、电炉和试验设备、船舶、海上平台、岸电、冶金厂、化工厂、爆炸危险场所、计算机中心以及应急电源等。通常装设绝缘监测仪用来实时监测系统对地的绝缘状况,当系统出现接地故障时,及时报警,提醒并排查故障。

安科瑞工业IT绝缘监测监控系统
在需要保证供电连续性和安全性使用IT系统的场所,装设绝缘监测仪,实时在线监测系统对地绝缘状况,当发生绝缘电阻下降,发出声光告警,提示工作人员排查故障,也可通过定位装置定位故障回路。

Acrel-2000L/A 绝缘监测系统设备适用于 1kV 及以下低压配电系统。该设备可以集中采集监测显示绝缘监测仪的数据,实现最多 8 个绝缘监测仪的数据,并且实时记录告警信息和曲线查询。匹配的绝缘监测仪可以是 AIM-T300、AIM-T500 和 AIM-T500L。
绝缘监测仪采用有线的方式连接到系统设备,设备采用金属壁挂箱,内部集成采集元件。安装方便简单,工作可靠,适用于工业场合如矿井、玻璃厂、电炉和试验设备、船舶、冶金厂、化工厂、爆炸危险场所、计算机中心及应急电源等低压 IT 配电系统。
系统功能概览

1、实时监测 IT 系统的对地绝缘电阻,电阻越限时启动故障预警或报警功能;
2、继电器报警输出、蜂鸣器报警输出等多种故障指示方式;
3、参数设置功能,可以更改设置绝缘预警和绝缘报警设定值;
4、应用范围广,适用于交流、直流以及交直流混合 IT 系统。
技术参数:

典型应用:

硬件产品介绍
一、绝缘监测仪
1、产品选型


二、故障回路监测互感器
1、产品选型


三、绝缘监测耦合仪
1、产品选型

产品资质证书




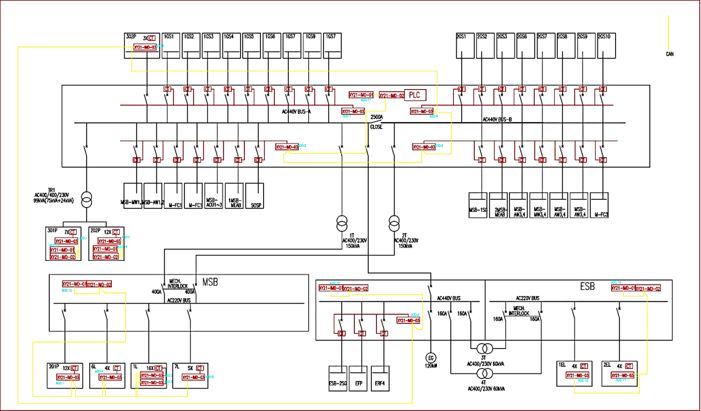
典型案例-船舶配电
项目背景
某船舶项目,该船为散货轮船配电系统绝缘监测及故障定位,采用柴发供电,具有高压岸电接入,低压岸电接入,后备柴油发电机接入。
总长199.95米,型宽32.26米,型深16.90米,设计吃水10.70米

安科瑞解决方案
主配电和应急配电板以及厨房配电,驾驶室照明配电,总计共6套绝缘监测及故障定位方案。

