在电子电路设计、元器件选型过程中,MOS管是最常用的开关/放大器件之一,而N沟道(N-MOS)和P沟道(P-MOS)的选择,直接决定电路能否稳定工作、成本是否可控,甚至会不会出现“烧管”隐患。很多人选型时只看参数,忽略沟道类型的核心差异,最终踩坑返工、调试反复。今天就从原理、场景、选型技巧三方面,帮你彻底理清两者的区别,选对不踩坑。

一、先搞懂核心差异:原理层面的本质区别
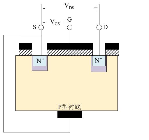
MOS管的核心是“电场控制导电”,沟道类型的不同,本质是载流子类型、导通条件、电路接法的差异,这是所有选型的基础。
1. 载流子与导通速度:决定性能上限
N-MOS:载流子是电子,电子的迁移率远高于空穴(P-MOS载流子)。简单说,电子跑的更快,所以N-MOS的开关速度更快、高频性能更好,适合高频开关、快速响应的场景。

P-MOS:载流子是空穴,迁移率低,开关速度慢、高频损耗大,仅适合低频、低速开关的简单场景。

2. 导通条件:高低电平控制的核心逻辑
MOS管导通的关键是“栅源电压(Vgs)达到阈值”,但N、P-MOS的导通电平完全相反,这是电路接线和控制的核心:
举个通俗例子:N-MOS像“高电平开门”,给高电压就通电;P-MOS像“低电平开门”,拉低电压就通电,反之则断电。
3. 电路接法:源极接地/接电源的固定逻辑
这是选型时最容易踩坑的点,不同沟道类型对应固定的电路连接方式,接反直接无法工作:
N-MOS:源极(S)必须接地,漏极(D)接负载电源正极。控制时,栅极(G)输入高电平,Vgs为正,管导通。
P-MOS:源极(S)必须接电源正极,漏极(D)接负载。控制时,栅极(G)输入低电平,Vgs为负,管导通。
简单记:N-MOS“源极接地”,P-MOS“源极接电源”,这一规则决定了两者在电路中的适用场景。

二、场景化选型:看应用场景选对不选贵
了解原理后,核心看“电路拓扑、控制难度、成本需求”三大维度,不同场景选对应沟道类型,效率和成本双优。
1. 首选N-MOS的场景:90%的常用开关场景
N-MOS因导通电阻低、开关快、成本低,是绝大多数场景的首选,尤其这些情况:
低端开关(负载接地):负载一端接电源,另一端接MOS管漏极,源极接地。比如LED指示灯、小电机接地控制、传感器供电开关,直接用N-MOS,接线简单、控制方便。
高频开关场景:如开关电源、PWM调光、逆变器、高频加热设备,N-MOS的高频特性能减少损耗,提升电路效率。
大电流/大功率场景:N-MOS更容易做到低导通电阻(Rds(on)),大电流下发热少,稳定性更强,适合电机驱动、大功率电源、汽车电子等大负载场景。
逻辑控制电路:数字电路中,N-MOS更适配CMOS逻辑的低电平控制,兼容性更好。

2. 只能选P-MOS的场景:高端开关的刚需
P-MOS虽然性能稍弱,但在高端开关(负载接电源正极)中无可替代,这也是唯一必须选P-MOS的场景:
高端开关(负载接电源):负载一端接地,另一端接电源正极,需要控制电源正极的通断。比如电池供电设备的电源总开关、汽车电子中电池到负载的供电控制,必须用P-MOS。因为N-MOS源极接地,无法直接控制电源正极,强行接会导致Vgs无法达到导通阈值,管子永远截止。
低压、小电流、低频场景:如小型便携设备(蓝牙耳机、智能手环)的电源开关,对速度要求低,只需简单通断,P-MOS成本低、接线更适配。

3. 避坑提醒:这些错误选型千万别犯
低端开关选P-MOS:完全没必要,不仅控制复杂(需要负电压驱动),还会增加成本和电路复杂度,纯属画蛇添足。
高端开关选N-MOS:绝对不可行,N-MOS源极必须接地,无法控制电源正极,管子无法导通,电路无输出。
高频场景选P-MOS:P-MOS开关速度慢,高频下损耗大,会导致发热严重、效率低,甚至烧毁器件。
忽略阈值电压(Vgs(th)):N-MOS的Vgs(th)一般为2-4V,控制时要保证Vgs远大于阈值,确保完全导通;P-MOS同理,避免半导通状态导致发热。
三、进阶选型技巧:除了沟道类型,还要看这些参数
选对沟道类型只是第一步,结合参数精准匹配,才能真正“不踩坑”,核心关注4个关键参数:
1. 漏源电压(Vds):匹配电路供电电压
Vds是MOS管能承受的最大电压,必须大于电路的最大供电电压,并留1.2-2倍余量。比如12V电源供电,选Vds≥24V的MOS管,避免过压击穿。
2. 导通电阻(Rds(on)):决定发热和功耗
Rds(on)越小,MOS管导通时的损耗(P=I²×Rds(on))越小,发热越少。
大电流场景(如10A以上):优先选Rds(on)≤10mΩ的N-MOS,减少发热。
小电流场景:Rds(on)≥50mΩ也可满足需求,无需追求过低。
3. 漏源电流(Id):匹配负载最大电流
Id是MOS管能长期稳定工作的最大电流,必须大于负载的最大工作电流,同样留余量。比如电机额定电流5A,选Id≥10A的MOS管,避免过流烧管。
4. 栅源电容(Cgs):影响开关速度
Cgs越小,开关速度越快,高频损耗越低。高频场景(如MHz级PWM)优先选Cgs小的N-MOS;低频场景(如kHz以下)可忽略该参数。
四、总结:3句话搞定选型
看拓扑选沟道:负载接地→选N-MOS(低端开关);负载接电源→选P-MOS(高端开关),这是核心前提,接反必翻车。
看性能选参数:高频、大电流、大功率→N-MOS+低Rds(on)+高Id;低频、小电流、便携场景→P-MOS即可,兼顾成本。
留余量保稳定:Vds、Id等参数务必留1.2-2倍余量,避免极端工况下器件损坏,减少后期调试成本。

MOS管选型没有“绝对的好坏”,只有“适配的选择”。先明确电路拓扑和场景,再结合沟道类型和核心参数筛选,就能轻松避开90%的选型坑,让电路稳定高效运行。