英集芯IP5326是一款专为移动电源、充电宝等便携设备设计的移动电源管理SOC芯片。集成Type-C协议与快充支持,支持2.4A同步充放电。内置电源路径管理,支持边充边放功能。4.20V至4.40V不同电压的电池,适应多种电池规格。内置升压转换器、锂电池充电管理、电池电量指示等功能,减少外围器件数量,降低系统成本。采用QFN16封装,尺寸小巧,适合紧凑型设计,减少整体方案尺寸。支持I2C接口定制,可根据不同需求灵活调整方案。

一、技术特性:高集成度与高效能的结合
1、单芯片实现多功能覆盖
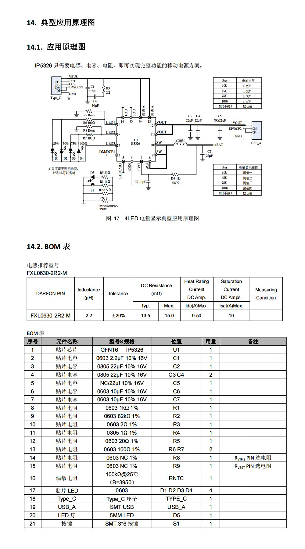
IP5326采用QFN16封装(3mm×3mm),将升压转换器、锂电池充电管理、电池电量指示、Type-C协议控制等功能集成于单一芯片中。通过单电感设计,仅需一个电感即可完成降压与升压功能,外围器件数量可减少50%以上,BOM成本有所降低,同时方案尺寸得到缩小,适合迷你充电宝、智能穿戴设备等对空间敏感的应用场景。
2、2.4A同步充放电,效率表现良好
芯片支持2.4A同步开关充电,充电效率可达94%,可在约2小时内为5000mAh电池完成充电;同步升压放电效率达96%,为手机、平板等设备提供2.4A输出。轻载模式下自动进入休眠状态,静态电流可降至100μA,有助于延长移动电源的续航时间。
3、Type-C DRP协议与多协议兼容
集成Type-C接口的DRP(Dual Role Port)协议,支持单口输入输出自动切换,兼容PD、QC、AFC、FCP等主流快充协议。可针对不同品牌设备进行协议识别与匹配。

二、功能优势:智能化与安全性的兼顾
1、智能电量管理与显示
支持4/2/1颗LED电量显示,电量曲线可通过外部电阻灵活配置。在4颗LED模式下,每颗LED可表示约25%电量;在1颗LED模式下,可通过呼吸灯频率变化提示剩余电量。芯片内置电池电压检测功能,支持4.20V、4.30V、4.35V、4.40V等多种电池类型,适配不同厂商的电芯规格。
2、多重安全保护机制
IP5326提供从输入到输出的保护功能:
输入保护:过压保护(OVP)、过充保护(OCP)、输入欠压锁定(UVLO);
输出保护:过流保护(SCP)、过压保护(OVP)、短路保护(SCP);
温度保护:整机过温保护(OTP)结合电池NTC温度检测;
静电防护:ESD耐受能力为4kV,VIN瞬态耐压为12V。
3、灵活定制与二次开发
芯片支持I2C接口定制,用户可通过寄存器配置调整充电电流、电量显示逻辑、按键功能等参数。英集芯提供相应的寄存器手册和开发工具包,有助于缩短产品开发周期。

三、应用场景:适用于多类充电需求
1、移动电源
英集芯IP5326的DRP协议与效率特性,可应用于移动电源产品中。
2、共享充电宝
在共享充电场景中,IP5326的充放电能力有助于提升设备使用效率。
3、车载充电器与应急电源
芯片的Type-C协议兼容性适合车载充电器等产品。
4、户外储能设备
英集芯IP5326的低功耗设计有助于延长户外电源的续航时间。

四、市场价值:助力行业技术发展
英集芯IP5326的推出,回应了移动电源市场对效率、体积与兼容性的需求,并通过高度集成化设计降低了开发难度,有助于产品迭代。
结语
英集芯IP5326以紧凑体积、良好性能与智能化功能为特点,为移动电源管理芯片提供了可行的解决方案。其设计有助于为用户带来便捷、安全的充电体验,也为行业提供了高集成度的参考方案。随着5G、物联网等技术的发展,IP5326有望在智能家居、工业设备等领域拓展更多应用,持续推动电源管理芯片的技术进步。
