近日,上海市人民政府公布了关于同意《上海崇明江南造船(集团)有限责任公司“9·4”较大中毒和窒息事故调查报告》的批复。
据报告披露:2025年9月4日,在上海市崇明区江南造船(集团)有限责任公司发生一起较大中毒和窒息事故,导致3名作业人员死亡,直接经济损失约578万元。
经调查认定,上海崇明江南造船(集团)有限责任公司“9·4”较大中毒和窒息事故是一起因违规进入存在高浓度氮气的有限空间而导致的生产安全责任事故。
事故直接原因:
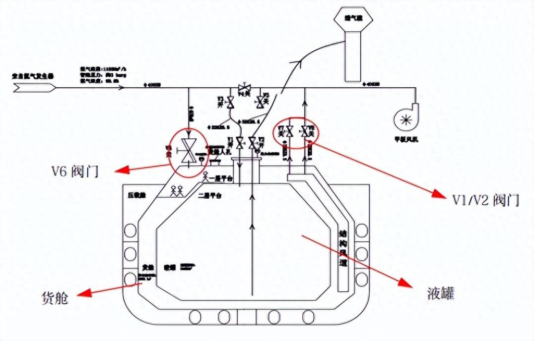
经综合调查询问、现场勘验以及技术鉴定,认定事故发生的直接原因是在对液罐惰化作业过程中,未将4号货舱的V6阀门完全关闭,而至氮气进入无需惰化的4号货舱,作业班组长在未办理有限空间作业审批,违规安排班组人员进入4号货舱作业,发生缺氧窒息事故。

液罐惰化流程简图

进入 4 号货舱人孔

V6 阀门情况
存在的主要问题:
(一)安全生产主体责任不落实。公司主要负责人和相关部门负责人未能有效履行应尽的安全生产职责,全员安全生产责任制度未落实,有限空间管理规定未执行,惰化作业未设置安全警示标识。
(二)惰化工艺安全管理不完善。企业相关管理部门未按规定做好惰化作业安全交底,各部门及人员落实工艺要求分工不明确,安全巡查有漏洞,对关键阀门管理失效。
(三)生产作业过程安全风险辨识不充分。企业对产品系泊试验存在的安全风险未从生产计划角度组织开展系统性辨识,生产与调试作业存在的交叉干涉风险管控存在漏洞,生产指挥与生产作业的信息联系不畅通,变更作业信息告知覆盖范围不全面。试航前脚手架余料清理检查确认不细致。
事故整改和防范措施:
(一)深刻吸取事故教训,优化作业流程。
(二)强化主体责任落实,提高安全管理水平。
(三)切实做好民用船舶制造业安全管理工作。