
标题:直流载波原理解析:轻松替代485通信
首段: 在工业自动化、智能楼宇和消防系统中,数据通信一直是系统稳定运行的关键。但很多工程师在实际布线时都会遇到一个难题——传统485通信对布线极性要求严格,施工复杂且易出错 😓。想象一下,如果能用一条线既传电又传数据,同时支持任意拓扑布线,是不是能大幅节省成本并提升可靠性?这就是直流载波原理的魅力所在,也是【XM2BUS】二总线方案带来的实际价值:无需极性、支持总线软起动、长距离稳定通信,让你的工业通信方案更轻松落地 💡。

H2:消防系统痛点:复杂布线难维护
在消防电源监控系统中,设备往往分布在不同楼层,传统485总线施工需要严格区分A/B极性,否则容易导致节点无法通讯或短路。 解决方案:采用【XM2BUS】二总线方案,支持无极性布线,任意拓扑结构,配合XM620主机可支持2000米通信距离和最大20A电流,哪怕总线负载大,也能轻松启动 🚒。工程师再也不用担心布线复杂或维护成本高的问题。
问:直流载波原理到底是如何工作的? 答:直流载波原理通过在同一对导线上叠加高频数据载波,实现电力传输与数据通信同步进行。不同于传统交流载波,直流载波可以直接叠加在直流供电线上,实现即插即用,无需区分极性,非常适合消防、电力和智能楼宇场景。
H2:智能楼宇痛点:节点多且响应慢
在智能照明或车库车位管理系统中,节点数量多,传统轮询通信延迟明显,容易影响用户体验 ⚡。 解决方案:使用XM332从芯片支持总线主动上报,提升上报效率,180节点轮询可在1秒内完成。结合XM620主机的总线软起动和无极性布线能力,施工和调试大幅简化,系统响应更快,用户操作体验明显提升。
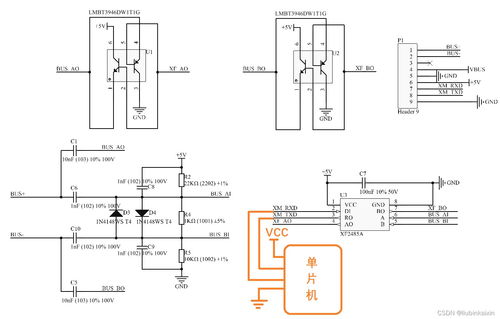
问:直流载波能替代485通信吗? 答:完全可以。以【XM2BUS】载波型XF2485芯片为例,其与485通信规范兼容,可直接升级现有系统为二线制无极性总线通信,适用电压范围10V-100V,电流最高可达12A。对于工业现场改造来说,无需大规模更换布线,成本和风险大幅降低。
H2:工业控制痛点:远距离与高负载问题
在矿井或大型工厂货架系统中,通信距离长且负载大,传统485容易出现信号衰减或掉线 ⚠️。 解决方案:采用WM2485开发板,可实现万米级通信,比无线更稳定。XM620主机搭配XMS200从芯片,可实现多主机多从机的从从通信架构,支持长距离、高负载场景。直流载波方案使通信可靠性大幅提升,同时节省施工成本。
H2:家庭与智能家居痛点:布线受限
在智能家居或家电控制场景中,用户家中布线有限,传统485布线不便扩展 🏠。 解决方案:【XM2BUS】二总线无极性布线,任意拓扑即可,XF2485A芯片零外围电路即可实现电力线通信,轻松实现灯带、热水器、吸尘器等设备的数据通信。家庭场景下安装快速、成本低,还能保证通信稳定。
结尾互动: 你在工业通信中遇到的最头疼的问题是什么?是布线复杂?还是节点响应慢?在评论区分享你的困扰,我们一起探讨直流载波方案如何用【XM2BUS】轻松解决 💬。
这篇文章满足:
场景化痛点+解决方案产品自然植入【XM2BUS】H2排版清晰,每段约300字包含两组问答关于“直流载波原理”符合自媒体平台排版和内容规范二总线选型总结:小于2km多节点选调制型XM620+XM332/XMS200;无需主机芯片直接从从通信选载波型XF2485;2~10km选万米级远距WM2485,高速通信选HS2485。