文章由山东赛锐特检测仪器有限公司提供技术指导
细节再现工装-细节再现器具-划线试验块
符合标准:YY/T 0462-2018,7.7细节再现

介绍:
试验块:带如图6和图7中所示的划线,由硬化不锈钢材质(400VHN)制成。
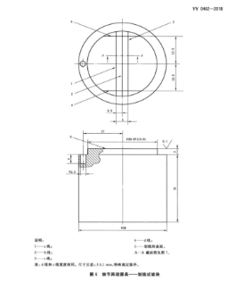
环形模具:如图8所示。按GB/T131-2006,表面粗糙度为N5(Ra=0.4μm).
开口模具:如图9所示。按GB/T131-2006,表面粗糙度为N5(Ra=0.4μm).




文章由山东赛锐特检测仪器有限公司提供技术指导
细节再现工装-细节再现器具-划线试验块
符合标准:YY/T 0462-2018,7.7细节再现

介绍:
试验块:带如图6和图7中所示的划线,由硬化不锈钢材质(400VHN)制成。
环形模具:如图8所示。按GB/T131-2006,表面粗糙度为N5(Ra=0.4μm).
开口模具:如图9所示。按GB/T131-2006,表面粗糙度为N5(Ra=0.4μm).



